

Emil Rindell

Jonas Bryntesson

Henrik Andersson
2024-03-21

Emil Rindell

Jonas Bryntesson

Henrik Andersson
2024-03-21
Inom tillverkningsindustrin och även inom andra områden vill man på ett tydligt sätt beskriva hur man vill att saker och ting ska se ut som färdig produkt. Ofta görs en preliminär skiss på papper eller digitalt hur det ska se ut.
Många har nog varit med om att ett underlag på papper inte alltid är det enklaste att följa ("servettritning" eller "Auto-kladd" som många skämtsamt kallar det) och det tillkommer ofta en större eller mindre mängd arbete för att omvandla det till något man kan använda som underlag.

Här kommer idag ofta någon form av 3D CAD-system in i bilden och ju kortare tid man behöver spendera med att ta fram en representativ 3D-modell, desto mer kan man lägga på produktionsunderlag och tillverkning (men även där vill man så klart korta ledtiderna).
Idag kan väldigt mycket tillverkas direkt från en CAD-baserad 3D-modell via t.ex. en numeriskt styrd tillverkningsmaskin eller en 3D-skrivare och det finns flera branscher där man inte längre tar fram något pappersbaserat ritningsunderlag på klassiskt vis och även detta kan följa ISO-standard och täcka alla juridiska underlag som behövs. Det finns många svar på den här frågan som fortfarande diskuteras en del inom tillverkningsbranschen på olika sätt.
Det finns områden och produktionssätt där det fortfarande behövs någon form av måttsatt ritning och vi får fortsatt en del frågor om vad man ska tänka på när man vill göra ritningar från sina 3D-modeller och samtidigt följa standard så att mottagaren får vad den förväntar sig. Man har kanske inte den tekniska bakgrunden att man vet hur en ritning ska se ut eller vilka standarder och regler man ska eller bör följa.
Det här inlägget inriktar sig i första hand till den som använder sig av IRONCAD för att designa sina produkter och vill göra produktionsritningar till dessa. Det är en form av självstudier som du kan följa helt på egen hand och som kommer att hjälpa dig att förstå vad man kan behöva tänka på när en ritning ska göras och vad en den kan förväntas innehålla, så att resultatet blir enligt planerna.
I IRONCAD hittar du metriska ritningsformat som följer ISO-standard, från A0 ner till A4. A-formaten bygger på grundformatet A0 som är c:a 1 m2 och följer standarden SS-ISO 216.
Bilden nedan beskriver dessa formats storlek i förhållande till varandra.

En ritning är inte bara ett beskrivande dokument där tillverkaren får reda på hur en detalj ska se ut i färdigt skick. Ritningen är också ett dokument som ska berätta vad som beskrivs på ritningen. När den är ritad. Vem som har gjort den och vem har godkänt den. Med rätt information på ritningen blir den också ett juridiskt dokument.
Dessutom bör det finnas en äganderätts- och copyright-klausul på ritningen.
När du öppnar en ritningsmall i IRONCAD ser t.ex. A4-mallen ut så här.

Vi tar en närmare titt på huvudfältet som oftast placeras till höger i ritningens underkant, samt äganderätts- och copyright-klausulen som här placeras på vänster sida.
Ritningshuvudet ska innehålla all den nödvändiga informationen som krävs som vilken vyplaceringsmetod som används, vilken detalj eller sammanställning som avbildas (ett unikt rit- och/eller artikelnummer, benämning, revision, ev. material, vikt, färg och andra detalj-unika egenskaper), skala på ritningens vyer, vem som skapat ritningen (Ritad av), vid vilken tidpunkt (Skapad datum och Senast sparad datum) samt utrymme för företagsnamn och kontaktuppgifter eller logotyp. Därtill kan man ange bladnummer om fler blad tillhör uppsättningen av ritningar.
Glöm inte att se till att ditt företagsnamn finns med i texten för äganderätts- och copyright-klausulen.

Se video nedan om hur man i IRONCAD själv kan redigera ritningshuvudet i sin egna ritningsmall.
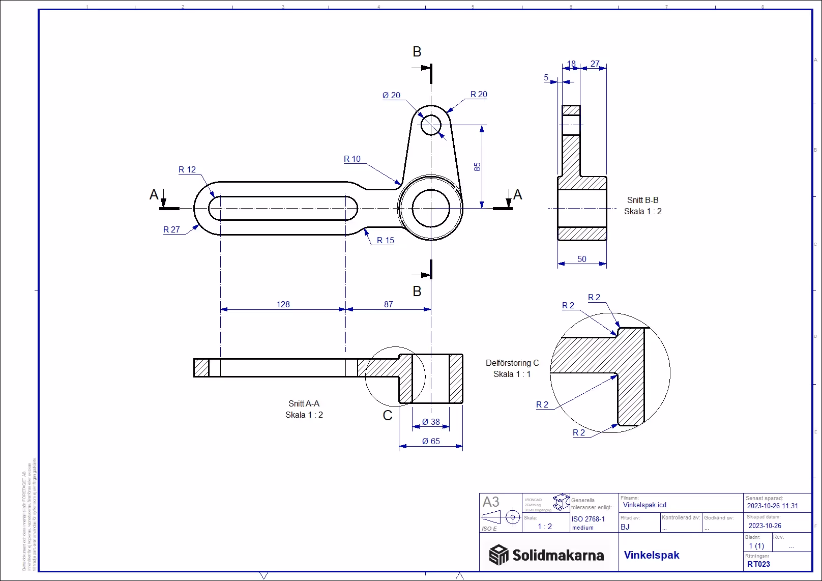
En detaljritning i A3-format kan se ut så här när alla vyer är insatta och måttsättning är gjord.

En sammanställningsritning visar en sammansatt produkt. I det här fallet innehåller ritningen en produkt med flera delsammanställningar som i sin tur har separata ritningar. Ritningen innehåller en stycklista som berättar vad de ingående detaljerna heter och vilket artikelnummer, som också är ritningsnumret, detaljen har.

Se video om hur man för över information från 3D-scenen.
Enligt SS-ISO 128-24 finns det standardiserande linjebredder. De benämns som smal linje, bred linje och extra bred linje. På maskinritningar används normalt två bredder, bred linje och smal linje.

De standardiserade linjebredderna i mm visas i rutan. Bilden är inte skalenlig utan visar linjernas bredd i förhållande till varandra.
De linjebredder som normalt används på maskinritningar är 0,5 som bred linje och 0,25 smal linje.
På större ritningar som A0 och A1 kan man använda 0,7 som bred linje och 0,35 som smal linje. Anledningen är dels att det blir lättare att se och förstå ritningen, dels vid förminskning, t.ex. från A1 till A3, blir linjerna inte för tunna för att kunna läsas.
Linjetyper
Förutom olika linjebredder finns det också olika linjetyper som visas på bilden ”Linjetyper” nedan.

Dessa åtta linjetyper är standard på maskinritningar;
Linje 1 används främst som konturlinje.
Linje 2 används bl a till måttlinjer, snittmarkering och brottlinjer.
Linje 3 används till skymda kanter och konturer.
Linje 4 används sällan, men då främst som markering vid en yta där ytbehandling är tillåten (t.ex. värmebehandling) och dras då utanför, parallellt med, konturlinjen.
Linje 5 används bl a till centrumlinje och delningscirkel för hål.
Linje 6 används till för att markera yta som ska ytbehandlas.
Linje 7.
Linje 8 används till snittlinje.
I standarden SS-ISO 128-20 definieras linjernas utseende exakt t.ex. strecklängd och avstånd mellan punkter och streck.
När man ska tillverka en detalj vill man gärna ha en ritning som beskriver hur den ser ut. Gärna från olika sidor så att man får en så fullständig bild som möjligt.
Så länge det inte är en sfärisk detalj behöver man åtminstone två sidor eller två vyer på en ritning. Om det är en komplicerad detalj kanske det blir sex vyer och kanske även några snittvyer.
Vyerna placeras enligt en standard som heter SS-ISO 5456-2.
Se den här videon för att jämföra skillnaden mellan hur metod E och metod A fungerar när man tittar på en detalj:
Vi kommer att använda metod E.
Hur fungerar metod E?

Om vi ska föra över detta vinkelfäste till en ritning behöver vi först ta reda på vilken sida som ska vara framsida eller Front View på ritningen. Man försöker välja den sida som berättar mest om detaljen som Front View. I det här fallet är det valt att se detaljen på följande sätt.

När vyerna är överförda till ritningen kommer det att se ut så här.

För att öva på att göra en ritning med ritningsvyer i IRONCAD kan du följa övningsvideon nedan och även ladda ned 3D-modeller Part Vyplacering i IRONCAD *.ics-format.
Du kan självklart även använda IRONCAD för att ta fram den 3D-modell som används i övningen genom att följa videon nedan.
Pilmetoden
Sedan finns pilmetoden som kan vara ett komplement till metod E. när man inte har plats att placera ut en vy enligt den på ritningen angivna vyplaceringsmetoden. En extra vy placeras då ut och man använder en hänvisningspil mot den sida man tittar mot. Den extra vyn placeras på godtycklig plats på ritningen, men på en plats så att det blir lätt att läsa ritningen. Som med exemplet nedan.
För att använda sig av pilmetoden behöver man känna till hur man flyttar vyer på ritningen i IRONCAD.

För att lära dig hur du kan använda pilmetoden kan du titta på videon nedan.
Bruten vy
Detaljer som är för långa för att rymmas i sin helhet på papperet kan ritas som bruten vy, om vyn då är tillräcklig för att beskriva detaljen. Axeln som används i exemplet är bruten (dold) längsmed den cylindriska ytan där inga ytterligare detaljer finns som behöver beskrivas i ritningen.

Se en video om hur man använder sig av en bruten vy - Ladda ned 3D-modellen Spindel i IRONCAD *.ics-format.
När en vanlig vy är både svår att läsa och att måttsätta som på bilden nedan, då kan en snittvy vara lösningen.

Eftersom man enligt standard inte måttsätter mot skymda kanter och konturer behöver man göra en snittvy för att göra kanter och konturer synliga som på bilden nedan.

I vissa situationer kan man behöva göra ett snitt i olika plan. Det kan vara där hål eller urtag inte sitter parallellt. Som bilden nedan visar.

När rotationssymmetriska detaljer ska beskrivas och måttsättas på en ritning kan man med fördel använda sig av halvt snitt. På bilden nedan visas den vänstra halvan av detaljen med ett snitt.

För att göra snittet mera tydligt kan man välja att vissa detaljer inte ska snittas, t.ex. axlar samt standardkomponenter som skruvar, muttrar och brickor.

För att se hur man göra olika snitt i IRONCAD, titta på de fyra filmerna nedan.
En video om som visar hur man placerar ut ett Plant snitt - Ladda ned 3D-modellen Ventilblock i IRONCAD *.ics-format.
En video om som visar hur man placerar ut ett Snitt i olika plan - Ladda ned 3D-modellen Block med hål i IRONCAD *.ics-format.
En video som visar hur man skapar ett Partiellt snitt - Ladda ned 3D-modellen Anslutning i IRONCAD *.ics-format.
En video som visar hur man lägger ett Snitt i en sammanställning - Ladda ned 3D-modellen XXXXX i IRONCAD *.ics-format.
När man gör en ritning i IRONCAD kan man välja skala redan vid val av vyer genom kommandot Create Standard Views.

Här kan man låta programmet automatiskt välja skala baserat på vad som ryms på papperet eller så kan man ange exakt vilken skala man vill ha. Beroende på detaljens storlek och detaljrikedom måste man också tänka på att välja passande storlek på själva ritningsblanketten, vilket även går att ändra i efterhand (länk).
Det går även att byta skala på en eller flera vyer i efterhand. Tänk på att ange skalan i ritningshuvudet, om den inte redan är inställd att läsa in det automatiskt.

Delförstoring
Vid små detaljer kan man behöva använda sig av delförstoringar för att kunna visa hur detaljen ser ut men även för att kunna måttsätta.
En video som visar hur man bestämmer skala - Ladda ned 3D-modellen Nippel i IRONCAD *.ics-format.
Måttsättning av ritningar är viktigt för att den som ska tillverka detaljen ska kunna nå rätt resultat. Det är även viktigt att måttsättningen är konsekvent. Därför finns det en standard som heter SS-ISO 129-1 som gäller för alla slag av ritningar inom olika branscher.

Ett mått anges med hjälp av måttgränslinjer, måttlinje med pilar. Vissa lägen kan pilarna bytas ut om utrymmet inte tillåter pilar.
Måttlinjer, måttgränslinjer och hänvisningslinjer ritas med heldragen smal linje. Det innebär att om konturlinjerna har en linjebredd på 0,5mm så har måttlinjerna en linjebredd på 0,25mm.
Om det gäller större ritningar som t.ex. A1 och A0 kan konturlinjerna ritas med linjebredd på 0,7mm och måttlinjer med 0,35mm.
När det gäller måttlinjens pilspetsar ska vinkeln var antingen 30 grader eller 90 grader. Pilspetsen kan ritas på tre sätt; som öppen, sluten eller ifylld. 90 graders pilspets ritas alltid öppen.

Storleken på pilspetsen styrs av textstorleken. Om ritningen ritas med linjebredderna 0,5mm och 0,25mm kan texthöjden vara 3,5mm, pilspetsen ska då vara 3,5mm lång.
I ritningsmallarna i IRONCAD är texthöjden satt till 12 punkter och typsnittet Arial används som standard. Pilspetsarna är inställda enligt standard till 3,5mm långa med 30 graders vinkel enligt bilden ovan.
Måttsättningen ska beskriva detaljen storleksmässigt. Det är också viktigt att måtten placeras så att de är lättlästa. Till exempel ska man försöka undvika att placera måtten så att måttlinjen bryts av en måttgränslinje som i fallet nedan.

En video som visar hur man - Ladda ned 3D-modellen Nippel i IRONCAD *.ics-format.
Baslinje- och kedjemåttsättning
En detalj kan måttsättas på olika sätt som bilderna nedan visar. När utrymme finns kan man använda sig av baslinjemåttsättning. Alla mått utgår då från en baslinje, vilket är den vänstra kanten på bilden nedan.

Men det går också utmärkt att använda sig av förenklad baslinjemåttsättning eller kedjemåttsättning för att spara utrymme. Då markeras baslinjen med en liten cirkel (måttet "0") och måttuppgiften ska placeras i närheten av tillhörande måttgränslinje som på bilden nedan.

Vid kedjemåttsättning sätts måtten ut i en "löpande kedja" till de punkter. På bilden nedan är det hålens inbördes avstånd från varandra som är viktiga ur funktionssynpunkt.

OBS! Tänk på att ev. toleranser påverkar vilka mått som som är viktiga för funktionen och att detta kan påverka vilken av dessa tre metoder som är lämpligast att använda.
En video som visar baslinje- och kedjemåttsättning - Ladda ned 3D-modellen Platta med hål i IRONCAD *.ics-format.
Cirkulär måttsättning
Vid måttsättning av en cirkulär hålbild lägger man in en centrumlinje genom hålen för att få diametermåttet av hålbilden som på bilden nedan.

En video om cirkulär måttsättning - Ladda ned 3D-modellen Anslutning i IRONCAD *.ics-format.
Konstruktionslinjer som hjälp
Vid vissa tillfällen kan man behöva förlänga en konturlinje med en konstruktionslinje bara för att kunna måttsätta detaljen innan bearbetning. Konstruktionslinjen ritas med heldragen fin linje.

OBS! Konstruktionslinjerna ritas något förbi skärningspunkten för att inte förväxlas med konturlinjen.
Se video om att lägga till konstruktionslinjer i ritningen - Ladda ned 3D-modellen Anhåll i IRONCAD *.ics-format.
Måttsätta bruten vy
Om detaljen innehåller hål, som listen på bilden nedan, kan man göra en bruten vy och måttsätta delningsavstånd och ange hur många det är samt totala avståndet mellan första och sista hålet.

Se video om att måttsätta en bruten vy - Ladda ned 3D-modellen List i IRONCAD *.ics-format.
På en ritning ingår en generell toleransangivelse, som oftast anges i ritningshuvudet. Men vid vissa mått kan man behöva vara mera specifik när det gäller toleranser.

Genom att ta fram måttets egenskaper, Linear Dimension Properties, hittar man fliken och inställningarna Tolerancing. Där finns det möjlighet att lägga till de toleranser man vill att måttet ska ha.

Se video som visar hur man anger en tolerans till ett mått - Ladda ned 3D-modellen Anslutning i IRONCAD *.ics-format.
I IRONCAD hittar du symboler för ytjämnhet genom kommandot Surface Texture Symbol under fliken Annotation.


I menyn för ytjämnhetssymboler hittad du alla nödvändiga inställningar för att kunna markera rätt ytjämnhet för den detalj som du måttsätter.

Se video om hur man placerar ut ytjämnhetssymboler - Ladda ned 3D-modellen Anslutning i IRONCAD *.ics-format.
När en detalj ska ytbehandlas, till exempel med nickelplätering anger man det också på ritningen. Man anger ytstrukturkrav både före och efter ytbehandling.
Dessutom ritar man in en bred punkt-streckad linje för att ange ytan var ytbehandlingen kommer att ske.

Se video om hur man placerar ut ytbehandling - Ladda ned 3D-modellen Hylsa-nickel i IRONCAD *.ics-format.
Vid tillverkning av vissa detaljer är det viktigt att t.ex. axlar, hål och axelgenomgångar är rätt placerade och att det är insatt toleranser på ritningen. Det kan också röra sig om planhet eller parallellitet mellan ytor. Därför finns det möjlighet att lägga till form- och lägestolerans på din ritning i IRONCAD.
För att göra det använder du kommandot Feature Control Frame som du hittar under fliken Annotation.


I menyn finns alla nödvändiga symboler du behöver för att göra en korrekt måttsättning av toleranserna.

Se video om form- och lägestoleranser - Ladda ned 3D-modellen Anslutning i IRONCAD *.ics-format.
Det finns flera olika standarder när det gäller svetsning och svetsmetoder. Det finns också en standard för svetssymboler som förs in på en ritning. Den senaste standarden är SS-ISO 2553. Den beskriver hur en detalj ska svetsas och med vilken svetsmetod.

I IRONCAD hittar du symboler för svets genom kommandot Welding Symbol under fliken Annotation.


Svetssymbolen ritas som en pil med information om svetsens utförande, placering och metod.
Se video om svetssymboler - Ladda ned filen Pallbock smst i IRONCAD *.ics-format.
I IRONCAD behöver man inte göra separata filer för sammanställningar och enskilda delar. Om en produkt innehåller flera olika delar görs alla delar i en 3D-scen. Det underlättar organisationen av ingående delar i produkten.

Det innebär att man gör sammanställningar och delsammanställningar i en och samma 3D-scen. Sedan görs sammanställningsritningar och delsammanställningsritningar från dessa i 3D-scenen.

Se video om hur man skapar sammanställningsritningar i IRONCAD - Ladda ned filen Pallbock i IRONCAD *.ics-format.
Är du intresserad av att lära dig allt som finns att veta om IRONCAD kan du med fördel kolla vidare på vår IRONCAD-grundutbildning på IronCAD Academy, där övningarna 39 till 55 framförallt handlar om ritningen och hur den är kopplad till 3D-modellerna.
Om du vill gå en generell IRONCAD-grundutbildning på distans eller på plats hos oss eller på annan ort så kan du kolla upp planerade tillfällen på vår hemsida.
Svar: Här publicerar vi tips, guider, nyheter och lösningar för dig som arbetar med IRONCAD och Design Data Manager (DDM). Bloggen täcker allt från grundläggande funktioner till avancerade arbetsflöden, vilket hjälper dig att optimera ditt konstruktionsarbete. Du hittar exempel på smarta genvägar, praktiska instruktioner, lösningar på vanliga problem och bästa praxis för produktdesign, mekanikkonstruktion och produktdatahantering.
Svar: Våra guider och tips är utformade för både nybörjare och erfarna CAD-användare. De riktar sig till konstruktörer, ingenjörer och projektledare som vill arbeta mer effektivt med IRONCAD och DDM, förbättra designprocessen, minska misstag och spara tid i produktutvecklingen.
Svar: Vi publicerar regelbundet nya artiklar när programvaran uppdateras, när nya funktioner introduceras, eller när våra användare efterfrågar lösningar på specifika problem. Bloggen är därför en pålitlig källa för att hålla sig uppdaterad och få tips som underlättar vardagen i CAD-arbetet.
Svar: Många av våra instruktioner och tips fungerar i flera versioner, men vi markerar tydligt om en artikel gäller en specifik version. Vi strävar efter att göra innehållet användbart även för äldre versioner, och ger dessutom rekommendationer för hur du kan anpassa arbetsflöden till den version du använder.
Svar: Absolut! Om du inte hittar lösningen i bloggen kan du kontakta vår tekniska support via solidmakarna.se/support. Våra experter hjälper dig med allt från installation och konfigurering till avancerade funktioner i IRONCAD och DDM, så att du kan lösa problem snabbt och effektivt.
Svar: Ja! Vi uppskattar förslag från våra användare. Om du har frågor, tips eller vill att vi tar upp ett specifikt problem i IRONCAD eller DDM kan du kontakta oss via vårt kontaktformulär, så prioriterar vi relevanta ämnen i kommande inlägg.
Svar: Bloggen innehåller bland annat:
Praktiska steg-för-steg-guider som hjälper dig att använda IRONCAD och DDM mer effektivt.
Produktivitets- och arbetsflödstips för snabbare design och konstruktion.
Lösningar på vanliga problem som användare stöter på i CAD-programmen.
Uppdateringar och nyheter om nya funktioner, versioner och förbättringar.
Best practices för datahantering och projektorganisation i DDM.
Svar: Alla tips och guider är direkt tillämpbara i dagligt arbete. Du kan till exempel använda genvägar och smarta funktioner i IRONCAD för att snabba upp modellering, strukturera filer bättre i Design Data Manager, eller följa våra steg-för-steg-lösningar för specifika problem som ofta dyker upp i konstruktionsprojekt.
Svar: Vi strävar efter att alla guider och tips ska vara relevanta för de senaste versionerna av IRONCAD och DDM. Vi markerar dessutom tydligt när ett inlägg gäller en äldre version, så att du alltid vet om instruktionen är direkt tillämpbar för ditt system.
Svar: Ja! Många av våra användare delar artiklarna med kollegor och använder dem som interna utbildningsmaterial. Bloggen är ett bra komplement till formell utbildning och hjälper team att lära sig funktioner snabbare, undvika misstag och standardisera arbetsflöden i IRONCAD och DDM.